24小时服务电话
188-2757-0519
小型消防车、轻型消防车、微型消防车拥有以下几个主要特点和优势:一、 赢得时间:小型消防车、轻型消防车、微型消防车可以在较短的时间内充分利用当地水网管系密布的优势,投入灭火战斗,即使不能够完全消灭火灾,...
前面新东日专汽为大家详细的介绍了水罐消防车的消防炮图解,那么泡沫消防车作为水罐消防车的补充车型,其灭火效果比水罐消防车灭火效果更广,那么泡沫消防车上配置的泡沫炮是怎么配置的呢?下面新东日专汽再来为大家...
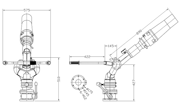
水罐消防车是**常用的消防车车型,从2吨到25各个吨位的车型均有,一般都配有消防炮,好多人不知道消防车上的消防炮是怎样配置的下面消防车厂家湖北新东日专用汽车有限公司为大家介绍下常用的水罐消防车的消防炮...
为提高公司各部门员工的消防安全知识,普及消防安全意识,6月15日上午,新东日专汽特邀请市消防宣传**人员易教官为公司员工进行了一次消防安全知识普及专题培训。 此次培训内容为消防安全的“四个能力”、“...
小型消防车、微型消防车是如何应营而生的?以前没有小型消防车和微型消防车,城市的消防任务主要是靠消防队来救援完成,但是随着城市的不断发展,微型和小型的消防车的存在越来越有必要,我们知道,每个城市、地区都...
2019年10月16日**19日,为期四天的第十八届国际消防设备技术交流展览会(CHINA FIRE 2019)在北京国际展览**(新馆)盛大开幕。“CHINA FIRE”是由**消防协会主办的规模和...
企业单位购买消防车上什么牌照?牌照是什么样的?这是很多购买消防车用户的问题,今天,消防车厂家新东日专汽就为大家详细讲解这两个问题。从武**消防**改制为应急管理部后,**对消防车准入进行了调整,放宽了...
随着老百姓生活水平的提高,小轿车已经“飞入寻常百姓家”,以车代步并不鲜见,路上的车多人多,**拥挤是不辩的事实。差不多人人都是驾驶员,行车文明确实不是一件小事情。众所周知,驾车不仅需要技术,而且需要驾...
消防车厂家新东日专汽教广大朋友们几招消防车常见故障检修方法,希望对各位朋友们有所帮助! 1、如果温度过高或温度指示灯不停地闪亮,要停车检查水箱冷却水是否正常、水箱、水管及各接头处有无渗漏现象。若通过外...
目前火灾的危害日趋增大,**对于火灾防范知识的宣传也越来越重视。除了传统的宣传媒介,现在一种新型的广告宣传方式也被用来做火灾防范宣传,那就是消防宣传车。但是很多客户会问,消防安全宣传车与传统的LED广...
